
Radio réveil LW FM , corps en plastique , sonnerie répétitive , cadran s’éclairant , s’ouvre seul quand on appuie sur EJECT, affichage à cristaux liquides , présent au catalogue 1993-1994 page 41 , référence 8014 , format 7,3 x 11,5 x 7,5 cm


Encyclopédie historique des réveils et pendules Jaz de 1919 à 2000 . Collection Boris PAGLIA & Denis RAQUIN

Radio réveil LW FM , corps en plastique , sonnerie répétitive , cadran s’éclairant , s’ouvre seul quand on appuie sur EJECT, affichage à cristaux liquides , présent au catalogue 1993-1994 page 41 , référence 8014 , format 7,3 x 11,5 x 7,5 cm


Présentoir publicitaire en plexiglas fumé pour réveils radio Jaz . Poids 555 gr , hauteur 32,5 cm , largeur 28,5 cm .


Fiche technique du calibre 11AR spécifique aux réveils -radios MUSIC . Consultez la fiche technique du calibre AR dont il est une variante .



GOFIC , radio -réveil . Apparaît dans la brochure Nouveautés 1979 et disponible au catalogue Jaz/Japy de 1980 à la page 11 , référencé 5298-41 . Horloge sur écran LCD , stations GO-MF LW-FM ces acronymes sont probablement à l’origine de son nom , réveil au choix par une sonnerie- buzzer ou par la radio , façade en alu brossé , corps en plastique noir , boîtier gainé cuir noir . Format 17,5 x 10 x 4,5 cm, poids 475 gr .

Le GOFIC est le seul réveil radio Jaz présenté dans un boîtier porte feuille de protection
à droite réglage du volume sonore et des stations de la radio ; à gauche le jack pour l’antenne extérieure ; en l’absence d’antenne amovible celle -ci s’avère quasi indispensable
La ressemblance avec les réveils de voyage Jaz mécaniques des années 70 n’est pas fortuite : ce radio réveil relativement compact , de 17,5 cm de long et d’un poids de 520 gr avec les piles , était lui aussi destiné aux voyageurs

Comme l’indique la mention en anglais dans le couvercle : le gainage est en cuir véritable , fait à la main à Hong Kong .
Réglages des moyennes ou grandes ondes au dos . Pile LR6 pour l’horloge et pile 9 volts pour la radio .

GAMIC 5001-61 noir GAMIC , réveil-radio , gammes Radio Jaz et Jaz Quartz , mouvement à pile , calibre TR . Corps tout plastique , radio GO-MF , tic tac discret , trotteuse centrale , cadran doré , aiguilles et points lumineux. Apparaît dans la brochure Nouveautés 1979 . Si le réveil lui même est Made in France , la radio est Made in Hong Kong .


GAMIC 5001-11 blanc Existe en deux couleurs : blanc réf.5001-11 ou noir réf. 5001-61 . Format 19,5 x 8,5 x 4 cm , poids 450 gr . Type radio-réveil à quatre semi-conducteurs , quatre transistors silicium + CI. Ferrite + antenne télesc.type de montage superhétérodyne , deux gammes GO Grandes Ondes et MF Modulation de Fréquence . 




Alimentation à piles/secteur 1,5v + 9v ou secteur 9 volts . Sélecteurs de gammes et de fonctions réveil à glissière sur le dessus .
Boîte spécifique de GAMIC 1982 , le radio-réveil est fidèlement reproduit sur la boîte
Il n’est plus disponible en 1983 . La dénomination GAMIC avait déjà été attribuée en 1941 ; dans le cas présent son nom de GAMIC est inspirée par les gammes d’ondes radio .
publicité jeu-concours , pleine page , 1980 . Plus que de présenter ces trois radio-réveils – à savoir GAMIC , POINIC et NALCIC – le but de cette publicité correspond à une des obsessions constantes de Jaz à savoir : s’appuyer uniquement sur le réseau des horlogers bijoutiers à l’exclusion de tous les autres modes de vente : correspondance , supermarchés , etc




GARDIC , réveil-radio Radio Jaz , gamme Jaz Electronic , mouvement électrique à pile , 1 pile LR6 pour le réveil et 4 piles pour la radio, , calibre 5TR . Nouveauté du catalogue 1977 à la page 8 , référencée 4406-41 . Boîtier en plastique noir , cadrans noirs . Format 19 x 7,5 x 6,3 cm . Il n’est plus disponible en 1980.




MOFIC , réveil radio , Radio Jaz , Jaz Electronic , mouvement à pile LR14 pour l’horloge et 4 piles LR6 pour la radio , calibre 5TR , licence ATO .Corps tout plastique , radio GO/PO LW/MW et FM, antenne téléscopique , tic tac discret , trotteuse centrale , aiguilles et points lumineux . Nouveauté du catalogue 1976 à la page 9 .
Existe en deux couleurs : blanc réf. 4404-11 ou noir réf. 4404-81 . Format 23 x 9 x 9 cm .
En 1980 ses références changent et deviennent 4404-15 et 4404-85 .
Il n’est plus disponible en 1983.
Son nom de MOFIC s’explique aisément par sa fonction Modulation de Fréquence , MF .
pour accéder à l’articulation de l’antenne, il faut la déployer entièrement
la France Horlogère n°392 Sept 1978 .


MUSIC 2403-11 MUSIC , réveil-radio à tic-tac discret de la gamme Jaz Electronic et Radio Jaz , calibre 11AR , licence ATO. Nouveauté du catalogue 1974 , référencée 2403-11 . Corps plastique et métal , aiguilles et points lumineux . Format 20 x 9 x 6 cm .
Le MUSIC , fait exceptionnel , occupera à lui seul une pleine page des catalogues 1974 et 1975 . Il est même fièrement affiché en couverture du catalogue 1974 et également sur les cartes postales « avis de passage » des représentants de la marque auprès des horlogers affiliés ( photo ci dessus) tellement l’apport de la radio à un réveil matin représentait une grande innovation et un nouveau marché à conquérir . Finies les sonneries , on se lève au son de « sa » musique expliquant aisément sa dénomination de MUSIC . Ce nom avait déjà été employé en 1952 pour un réveil à mécanisme musical . Ce progrès et cette nouvelle technologie ont un coût puisqu’il était vendu 280 francs soit trois fois plus cher que la plupart des réveils Jaz et deux fois plus que les pendules !!
MUSIC 2403-81 Le MUSIC était également disponible en orange /corail sous la référence 2403-81
MUSIC Luxe 2403-81 En 1976 est proposé une variante de LUXE de couleur brun et « or » avec un nouveau cadran à 12 chiffres , référencé 2403-81 , format identique 20 x 9 x 7 cm , poids 495 gr .


En 1977 les MUSIC ne sont plus au catalogue , remplacés par les AUDIC .
Cette pendulette réveil-radio est un JAZ Electronic qui permet de s’éveiller à l’heure désirée, au son de la station radio préférée. La radio , six transistors et deux diodes , comporte deux gammes en modulation d’amplitude -petites ondes – grandes ondes – dans un cadre ferrite incorporé . L’ensemble n’a qu’une faible consommation . L’alimentation de la pendule est assurée par 2 piles étanches petite torche de 1,5 volt et celle de la radio par quatre piles du même type (les piles radios ne sont pas livrées avec le modèle , conformément aux usages).
C’est en cette même année 1974 que l’ORTF est démantelée et que son secteur radio échoit à l’entreprise publique Radio France .
à gauche la trappe des piles pour le réveil et à droite pour la radio
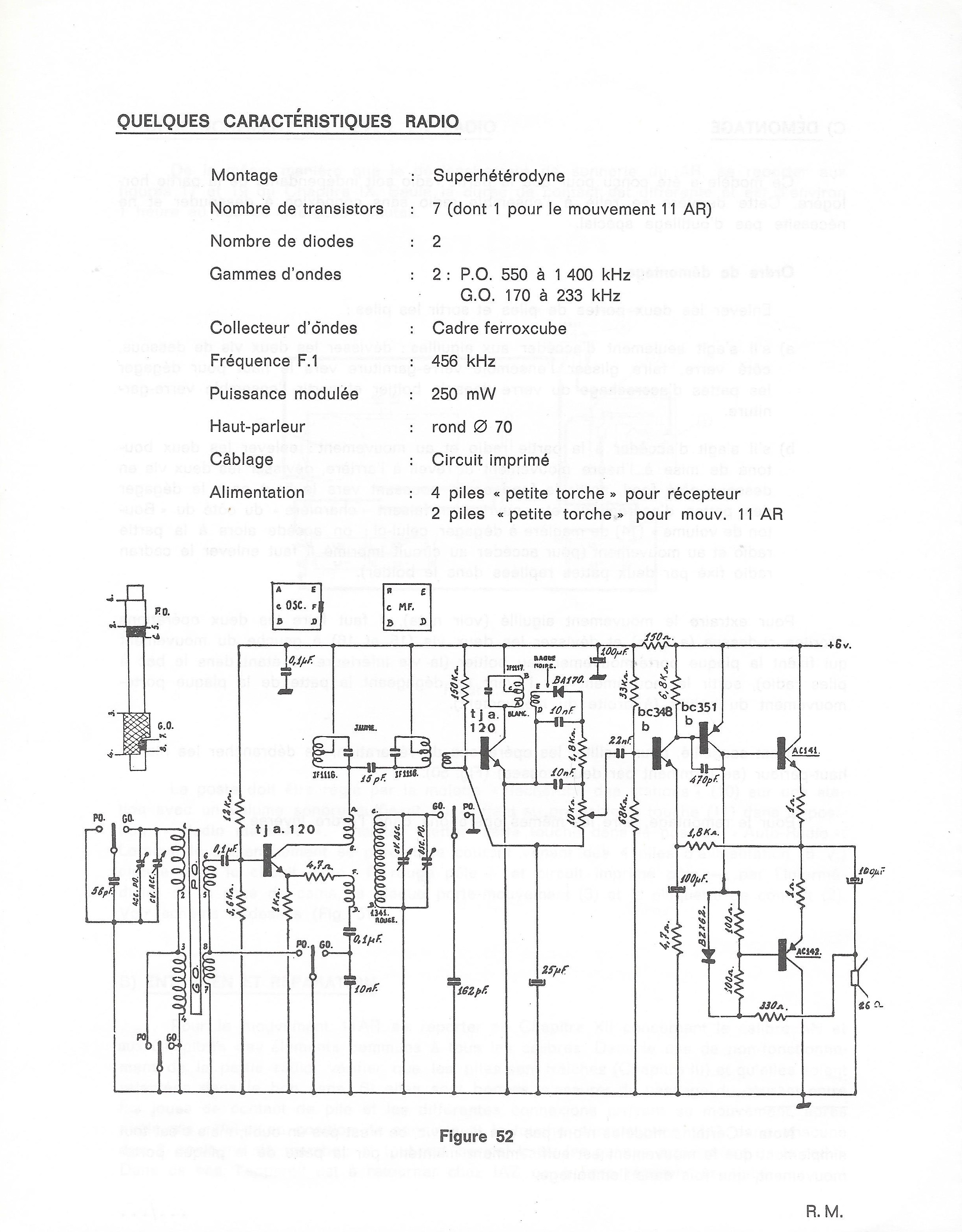
Consultez la fiche technique de ce réveil radio avec guide de démontage , conseils d’entretien et de réparation et schéma de la radio .
la France Horlogère n°392 Sept 1978 . Etrangement , afin de faire volume avec huit modèles différents de radio-réveils , un MUSIC 2403-11 est ajouté dans cette publicité alors qu’il n’est plus en vente depuis deux ans !

DRILIC (ou MILORD à l’export notamment en Belgique en Suisse ou en Italie ) , réveil de la gamme des Jazistor, mouvement électrique à pile LR20 , calibre AR , licence ATO . Référencés dans le catalogue de 1968-1969, page 15 avec la mention spéciale « L’habillage du Drilic a été conçu par l’esthéticien industriel Ph. Charbonneaux « . Nouveauté du catalogue 1964 -65 à la page 17 .
Trois versions de couleurs disponibles : boîtier crème et cadran noir référencé 2401-13 ou boîtier noir et cadran crème référencé 2401-41 et enfin boîtier vert et cadran crème référencé 2401-51 . Aiguilles et points lumineux .Format 15 x 9,5 cm, poids 335 gr sans la pile . Il restera disponible au catalogue jusqu’en 1972/73 . Consultez la fiche technique du DRILIC .
Le DRILIC est le premier réveil à transistor 100% électrique , une Première Mondiale que Jaz affiche fièrement sur sa boîte , avec la mention création de PH. CHARBONNEAUX et un PARIS surmonté d’une Tour Eiffel ce qui est tout à fait nouveau pour Jaz qui ne revendiquait guère jusqu’alors son attachement à la capitale .
De nos jours l’utilisation d’un réveil à pile est une évidence qui ne nécessite quasiment plus d’explications , ce qui n’était pas le cas au début des années 60 ; aussi le petit dépliant faisant office de mode d’emploi , illustré de petits DRILIC anthropomorphes , donnait des conseils qui nous semble aujourd’hui presque ridicules .
Dès 1969 , le DRILIC fait l’objet d’une déclinaison simplifiée par JAPY , la célèbre marque bicentenaire qu’elle a reprise en 1954 . Le cadran et les aiguilles originales dessinées par Charbonneaux ont disparu , en 1974 le cadran sera encore plus normalisé .
En Espagne et à l’export en général , où Jaz n’utilise pas Japy comme marque low-cost , ces réveils Trémolo sont estampillés Jaz .
Version diffusée en Italie , copie conforme du Japy Trémolo 120-51 .
publicité double page Paris Match , 34 x 52 cm .
publicité décembre 1965 double page , variante bichrome de la précédente
publicité Paris Match double page , 35 x 52 cm
publicité double page Décembre 1964 , variante de la précédente
publicité Paris Match bicolore , format 34 x 14 cm ; on reconnaît la frise de personnages du précédent
publicité Paris Match 1965 , 34 x 13,5 cm
Publicité édition belge du Reader’s Digest
Publicité extraite d’une revue belge de 1965 ; prix exprimé en Francs belges
Publicité édition italienne du Reader’s Digest . La dénomination MILORD est peut être inspiré par le succès mondial de la chanson éponyme de Piaf , sortie en 1959 et reprise en italien par Dalida en 1961 . On retrouve le couple de la photo précédente puisque la régie publicitaire reste la même : Caspari antenne de Genève pour la Belgique et bureaux de Milan pour l’Italie . Prix exprimé en lires italiennes .
La publicité se devait d’être didactique puisqu’il s’agissait d’une innovation technologique . Prix exprimé en Francs français .
publicité 12 x 8,5 cm

Le DRILIC a été utilisé pour la conception d’un transistor pour Ducretet-Thomson et sous le nom de Horophone Cottage d’un autre par Pathé -Marconi La Voix de son Maître . Groupées au sein d’une entité baptisée SDRT Société de Diffusion de Radio-Télévision , les deux sociétés géraient conjointement l’usine de l’avenue Pathé-Marconi dans la zone industrielle de Vongy à Thonon , produisant depuis fin 1958 , les téléviseurs et électrophones La Voix de son Maître et les émetteurs de radio Marconi . Les horlogers et amateurs avertis peuvent consulter les fiches techniques du DRILIC et de son calibre AR pour l’entretien et les réparations .






Vous devez être connecté pour poster un commentaire.